利達JB-QB-LD307家用火災報警控制器接線安裝技術
介紹:
利達JB-QB-LD307 家用火災報警控制器是智能化的家用火災自動報警設備,采用中文彩色液晶顯示,集報警及簡單控制于一體,1 個回路。該控制器采
用嵌入式控制系統,配合我公司家用全系列探測器,可以單獨使用,也可以同我公司生產的全系列火災報警控制器聯網使用。JB-QB-LD307 家用火災報
警控制器采用便于安裝的壁掛式,具有體積小、可靠性高、安裝和使用方便等特點,廣泛應用于公寓、別墅以及智能化小區等工程項目。滿足 GB 22370-2008《家用火災安全系統》、CNCA-C18-01《強制性產品認證實施規則》、CCCF-CCC-04《強制性產品認證實施細則》,取得消防產品 3C 認證證書。
功能:
★ 本機容量:1 回路。
★ 全中文操作界面,3.5 寸液晶屏顯示各種信息,指示燈指示關鍵狀態。
★ 具有 2 路無源接點輸出。
★ 具有黑匣子功能,存儲 200 條火警、200 條故障、200 條其它記錄。
★ 可通過總線接收外部設備火警、故障信息。
★ 具有回路短路保護與電源短路保護功能。
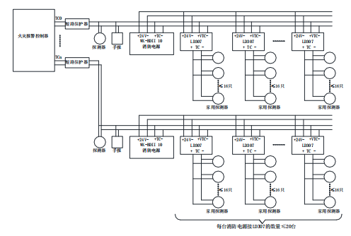
★ 可以通過二總線與火災報警控制器連接組網使用,所占地址點有兩種模式可選,單地址點或多地址點,多地址最少占四個地址(3 個自身+1 個外接
總線設備),最多占 19 個地址(3 個自身+16 個外接總線設備)。
★ 編程配置數據,用戶使用本公司專用軟件可以完成配置數據的編程,通過 U 盤完成配置數據庫的下載,可以方便地實現對設備類型開關、描述信息、
電話號碼等的編輯。
★ 需配移動通信 SIM 卡,發生火警后,本機可以循環撥打預設的兩組電話號碼,可以設置循環撥打次數。
★ 采用 DC 24V 電源作為系統主電,需配接專用壁掛電源 WK-BDII 10 使用。壁掛電源 WK-BDII 10 需接二總線,占兩個地址點。
主要技術指標:


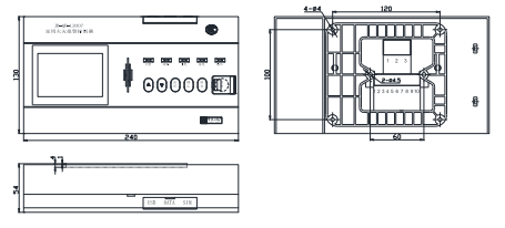
外形結構示意圖:




公司資質
檢測報告
檢測報告
環境管理體系證書
質量管理體系證書
蘇公網安備32058102002152號