一、LD128EN-100電子編碼器產品特點
利達LD128EN-100總線設備編址器是為LD128EN總線產品而設計的。通過編址器對LD128E系列及LD128EN系列總線產品的地址進行讀寫。攜帶方便、操作過程簡單。
二、LD128EN-100總線設備編址器主要用途及適用范圍
各種工業及民用建筑中。
三、LD128EN-100總線設備編址器對環境及能源的影響
LD128EN-100電子編碼器產品的殼體為塑料注塑而成,無污染。
四、LD128EN-100電子編碼器液晶指示說明
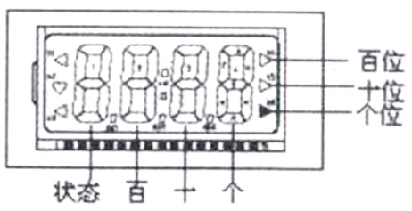
液晶由4位數字組成,如圖1

圖1 液晶狀態顯示
液晶上第4位表示狀態:顯示字母表示編址器的功能;顯示P時為寫總線設備的地址;顯示C時為讀總線設備的地址;顯示L時為寫總線設備的類型,顯示E時為讀總線設備的類型;顯示“3”時為寫總線漏電設備的“通道教”;顯示“4”時為讀總線漏電設備的“通道數”;顯示“9”時為寫總線消火栓設備的反饋地址,顯示“7”時為讀總線消火栓設備的反饋地址。
液晶上第3位表示讀出或要寫入地址的百位,液晶上第2位表示讀出或要寫入地址的十位:液晶上第1位表示讀出或要寫入地址的個位。
液晶的右方有三個小箭頭,為移位標記,當它在最下方時表示可以對個位加減;在中間時表示可以對十位加減;在最上端時表示可以對百位加減。
五、編址器面板操作說明
編址器上有7個按鍵,它們分別是:
“加”按鍵:可以對個、十、百位進行加操作,每按一下加1。
“減”按鍵:可以對個、十、百位進行減操作,每按一下減1。
“移位”按鍵:可以進行移位的功能,每按一下變換一個位置,在液晶上對應右面的三角箭頭。
“寫”按鍵:按下后液晶第四位顯示P字母。
“讀”按鍵:按下后液晶第四位顯示c字母。
“類型”按鍵:按一下后液晶第4位顯示“L”或“E”或“3”或“4”或“7”或“9”;
表示:“L”→寫類型;
“E”→讀類型;
“3”→寫總線漏電設備的“通道數”;
“4”一讀總線漏電設備的“通道教”;
“9”一寫總線消火牲的反饋地址;
“7”→讀總線消火栓的反饋地址;
備注:顯示“8”為讀編址器的軟件版本號功能,按“確定”后顯示的數字為軟件版本,現為170,表示編址器的軟件版本是V1.70。
“確認”按鍵表示對操作的確認。
六、結構特性
LD128EN-100電子編碼器結構圖如圖2所示:

圖2 LD128EN-100電子編碼器結構圖
外形尺寸為:76*134*29.5(單位:mm)
1、中殼
2、上蓋
3、按鍵膜
4、平端自攻螺釘M3*10
5、線路板
6、液晶屏
7、透明蓋
8、電池
9、底殼
10、電池蓋
11、開關
12、二總線插孔
13、備用二總線插座

公司資質
檢測報告
檢測報告
環境管理體系證書
質量管理體系證書
蘇公網安備32058102002152號